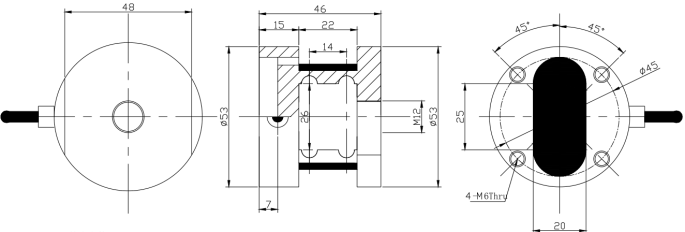
穿軸張力傳感器,采用合金鋼材質,作用于線體的張力監測與控制。
1、軸向張力傳感器的性能與用途
出廠前100%經過嚴格測試,確保產品的精度、穩定性和可靠性,采用電阻應變式原理,高精度,廣泛應用于:硅片切割機,藍寶石切割,晶體切割,金屬線,光纖,炭纖維等各種線材的張力檢測且適用于各種環境。
2、轉軸張力傳感器的性能參數:
量 程Capacity | 0~50/150/200N | 零點平衡Zero balance | ±1%mV/V |
額定輸出Rated output | 2.0 ±0.2 mV/V | 蠕 變creep | 0.05% F.S../30min |
非 線 性Non-linearity | 0.05% F.S. | 零點溫漂Temp.effect on zero | 0.1%F.S./10℃ |
滯 后Hysteresis | 0.05% F.S. | 靈敏度溫漂Temp.effect on output | 0.1%F.S./10℃ |
重 復 性Repeatability | 0.05% F.S. | 輸入阻抗Input impedance | 700Ω |
工作溫度范圍.temp range | - 20 ~ 70oC | 輸出阻抗Out impedance | 700Ω |
溫度補償范圍Compensated temp range | -10℃~50℃ | 絕緣阻抗Insulation | ≥2000MΩ |
推薦激勵電壓Recommended excitation | 5~12V DC | 安全載荷Safe overload | 150% R.C. |
材料 Material | 鋁合金 | 最大負載Ultimate overload | 200% R.C. |
導 線Cable | 4芯屏蔽電纜3m | 防護等級 | IP65 |







